Промышленный робот-манипулятор PEITIAN ROBOT AIR12-1420
- Перезвоним в течение 15 минут
- Отправим цены и условия поставки
- Уточним требования к оборудованию
- Выгодный лизинг от 6.9%
- Гарантия 2 года
- Доставка по РФ и странам СНГ
Характеристики
Скачать технические характеристики| Степень подвижности | 6 осей |
| Длина руки | 1420 мм |
| Максимальная нагрузка | 12 кг |
| Точность повторного позиционирования | ±0.03 мм |
| Вес робота | 180 кг |
| Способ крепления | пол / стена / потолок |
| Угол поворота 1-й оси | -170°~170° |
| Скорость вращения 1-й оси | 220°/с |
| Угол поворота 2-й оси | -85°~150° |
| Скорость вращения 2-й оси | 230°/с |
| Угол поворота 3-й оси | -95°~170° |
| Скорость вращения 3-й оси | 260°/с |
| Угол поворота 4-й оси | -195°~195° |
| Скорость вращения 4-й оси | 440°/с |
| Угол поворота 5-й оси | -135°~135° |
| Скорость вращения 5-й оси | 440°/с |
| Угол поворота 6-й оси | -360°~360° |
| Скорость вращения 6-й оси | 700°/с |
| Степень защиты | корпус IP54, рука IP67 |
Файлы для скачивания
| Продукт | Тип файла | Дата | Действие |
|---|---|---|---|
| inCube20-Assembly | 3D модель | 09.06.2025 | Скачать |
| AIR12-1420C-Assembly | 3D модель | 10.06.2025 | Скачать |
| AIR12-1420C 3D model SW | 3D модель | 10.06.2025 | Скачать |
| AIR12-1420B 3D model SW | 3D модель | 10.06.2025 | Скачать |
| AIR12-1420C CAD drawings | Чертежи в формате CAD | 10.06.2025 | Скачать |
| AIR12-1420B CAD drawings | Чертежи в формате CAD | 10.06.2025 | Скачать |
| AIR-TP-teach-pendant-operation-manual-V4.5.0 | Руководство по эксплуатации | 09.06.2025 | Скачать |
| inCube20-Control-Cabinet-Manual-V1.6.3 | Руководство по эксплуатации | 09.06.2025 | Скачать |
| AIR12-1420 Operation Manual V1.0.0 | Руководство по эксплуатации | 10.06.2025 | Скачать |
| PEITIAN ROBOT AIR12-1420 | Руководство по эксплуатации | 09.06.2025 | Скачать |
Описание
Промышленный робот-манипулятор PEITIAN ROBOT AIR12-1420 представляет собой передовое решение для автоматизации производственных процессов, объединяя высокую грузоподъемность, компактный дизайн и высокую точность. Благодаря шести степеням свободы и грузоподъемности 12 кг, он эффективно выполняет широкий спектр задач на производственных линиях.
Одним из ключевых преимуществ PEITIAN ROBOT AIR12-1420 является его рабочий радиус, составляющий 1420 мм, что позволяет манипулировать различными деталями и выполнять операции на значительном расстоянии. Универсальные варианты монтажа (напольный, настенный, потолочный) обеспечивают гибкость при интеграции робота в различные производственные процессы.
Высокая точность позиционирования достигается благодаря повторяемости ±0,03 мм, что гарантирует стабильность и надежность при выполнении даже самых требовательных задач. Это особенно важно в отраслях, где требуется высокая прецизионность, таких как сборка электроники, металлообработка и автомобилестроение.
Робот-манипулятор PEITIAN ROBOT AIR12-1420 демонстрирует впечатляющие скорости работы. Перемещение по оси 1 осуществляется в диапазоне от -170° до +170° с максимальной скоростью 220°/с. Ось 2 движется от -85° до +150° со скоростью 230°/с, а ось 3 – в пределах -95°/+170° с максимальной скоростью 260°/с. Ось 4 обеспечивает вращение от -195° до +195° со скоростью 440°/с, ось 5 – в диапазоне -135°/+135° при той же скорости, а ось 6 – полный оборот от -360° до +360° с максимальной скоростью 700°/с.
Степень защиты IP54 (и IP67 для запястья) гарантирует защиту от пыли и водяных брызг, что делает его пригодным для использования в различных промышленных условиях. Диапазон рабочих температур от 0°C до 45°C позволяет эксплуатировать робота как в стандартных, так и в более сложных производственных средах.
PEITIAN ROBOT AIR12-1420 оснащен передовым полым рычагом и внутренней проводкой, что значительно снижает износ компонентов и упрощает техническое обслуживание. Компактная механическая конструкция облегчает установку и обеспечивает надежность в эксплуатации.
Сравнивая PEITIAN ROBOT AIR12-1420 с аналогичными моделями, можно отметить его сбалансированное сочетание грузоподъемности, рабочего радиуса, точности и скорости. Многие роботы в этом классе либо менее мощные, либо имеют меньший рабочий радиус, что делает PEITIAN ROBOT AIR12-1420 оптимальным решением для предприятий, стремящихся к повышению эффективности и точности автоматизированных процессов.
Габаритные размеры и рабочий диапазон

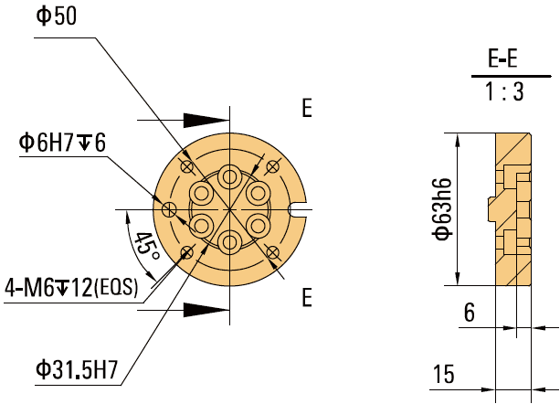
Фланец

Основание
