Промышленный робот-манипулятор PEITIAN ROBOT AIR4-560A
- Перезвоним в течение 15 минут
- Отправим цены и условия поставки
- Уточним требования к оборудованию
- Выгодный лизинг от 6.9%
- Гарантия 2 года
- Доставка по РФ и странам СНГ
Характеристики
Скачать технические характеристики| Степень подвижности | 6 осей |
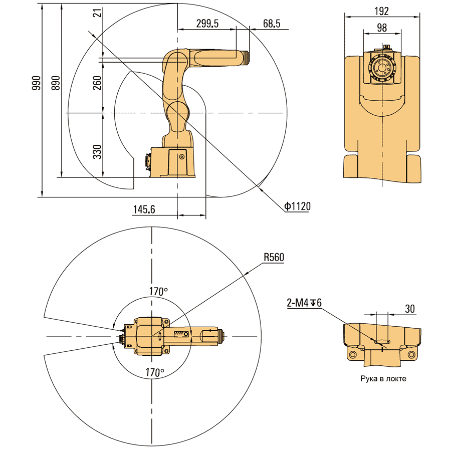
| Длина руки | 560 мм |
| Максимальная нагрузка | 4 кг |
| Точность повторного позиционирования | ±0.02 мм |
| Вес робота | 23 кг |
| Способ крепления | пол / стена / потолок |
| Угол поворота 1-й оси | -170°~170° |
| Скорость вращения 1-й оси | 450°/с |
| Угол поворота 2-й оси | -110°~120° |
| Скорость вращения 2-й оси | 450°/с |
| Угол поворота 3-й оси | -108°~152° |
| Скорость вращения 3-й оси | 525°/с |
| Угол поворота 4-й оси | -200°~200° |
| Скорость вращения 4-й оси | 600°/с |
| Угол поворота 5-й оси | -118°~118° |
| Скорость вращения 5-й оси | 600°/с |
| Угол поворота 6-й оси | -350°~350° |
| Скорость вращения 6-й оси | 800°/с |
| Степень защиты | IP65 |
Файлы для скачивания
| Продукт | Тип файла | Дата | Действие |
|---|---|---|---|
| inCube20-Assembly | 3D модель | 09.06.2025 | Скачать |
| AIR4-560A (Small-heavy-load)-3D-model-SW-STP | 3D модель | 09.06.2025 | Скачать |
| AIR4-560A-CAD-drawings | Чертежи в формате CAD | 09.06.2025 | Скачать |
| AIR-TP-teach-pendant-operation-manual-V4.5.0 | Руководство по эксплуатации | 09.06.2025 | Скачать |
| inCube20-Control-Cabinet-Manual-V1.6.3 | Руководство по эксплуатации | 09.06.2025 | Скачать |
| PEITIAN ROBOT AIR4-560A | Руководство по эксплуатации | 09.06.2025 | Скачать |
Описание
Промышленный робот-манипулятор PEITIAN ROBOT AIR4-560A представляет собой высокотехнологичное решение для автоматизации производственных процессов, сочетающее компактные размеры, высокую точность и гибкость. С шестью степенями свободы и грузоподъемностью 4 кг, этот робот обеспечивает эффективное выполнение разнообразных задач на производственных линиях.
Одним из ключевых преимуществ промышленного робота-манипулятора PEITIAN ROBOT AIR4-560A является его компактность. С массой всего 23 кг и рабочим радиусом 560 мм, он занимает минимальное пространство, что особенно важно для производств с ограниченной площадью. Благодаря площади основания 180×180 мм и минимальному рабочему радиусу 145,6 мм, робот позволяет оптимизировать размещение оборудования и обеспечить плотную компоновку рабочих зон.
Высокая точность позиционирования достигается за счет повторяемости ±0,02 мм, что гарантирует стабильное и точное выполнение операций. Это особенно важно в отраслях, где требуется высокая прецизионность, таких как электроника, сборка мелких компонентов и медицинское оборудование.
Промышленный робот-манипулятор PEITIAN ROBOT AIR4-560A обладает впечатляющей скоростью работы. Стандартное время цикла составляет менее 0,33 секунды, что позволяет значительно увеличить производительность и снизить время простоя. Высокие скорости вращения по осям (до 600°/с) обеспечивают быстрое перемещение и точное позиционирование, что способствует повышению общей эффективности производственного процесса.
Интеграция собственных разработок в области моторов, приводов и системы управления позволяет компании PEITIAN ROBOT предлагать высокопроизводительное решение по конкурентоспособной цене. Легкая конструкция корпуса и использование передовых технологий снижают эксплуатационные расходы и обеспечивают длительный срок службы оборудования.
Сравнивая промышленный робот-манипулятор PEITIAN ROBOT AIR4-560A с аналогичными моделями конкурентов, можно отметить его превосходство в сочетании компактности, скорости и точности. Многие роботы в этом классе либо более громоздки, либо уступают по скорости и точности, что делает промышленный робот-манипулятор PEITIAN ROBOT AIR4-560A оптимальным выбором для предприятий, стремящихся к повышению эффективности и качества производства.
Габаритные размеры и рабочий диапазон

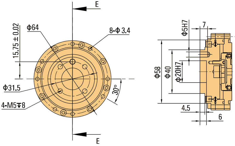
Фланец

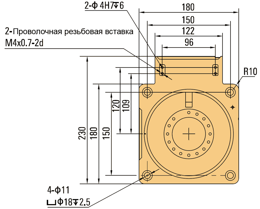
Основание

Схема интеграции
